MAG21HF 高速热像仪
MAG21HF 高速热像仪
产品特点及优势
² 320×240 分辨率,快速响应,50/100Hz 成像,适合测量快速运动目标。
² 强抗震、抗冲击,适合剧烈振动的场景。
² 提供专业版应用程序、SDK、图像离线分析软件。
² 具有多个镜头和测温范围可选,适用更多场合。
² 体积小巧,接口丰富,易于集成。
MAG21HF 功能和性能参数
|
图像传感器 |
|
|
探测器类型 |
非制冷焦平面 |
|
波长范围 |
8~14μ m |
|
像素数 |
320×240 |
|
帧率 |
50/100Hz |
|
测温性能和图像性能 |
|
|
测温范围 |
参见下节“MAG21HF 测温分档” |
|
测温精度 |
|
|
热灵敏度(NETD) |
|
|
视场角 |
参见下节“MAG21HF 视场角分档” |
|
角分辨率 |
|
|
调焦方式 |
手动 |
|
清晰成像范围 |
参见下节“MAG21HF 视场角分档” |
|
发射率黑背景温度校正 |
根据输入发射率和背景温度自动校正,发射率 0.01~1 可调 |
|
滤光片或窗口透过率校正 |
根据输入透过率自动校正 |
|
大气透过率校正 |
根据气象参数自动计算大气透过率并校正温度 |
|
鼠标测温 |
实时显示光标点温度 |
|
测温模式 |
支持全局高低温追踪、全局平均温度、点、线、矩形、圆、椭圆、多边形等多种测温模式,最多可添加 100 个测温对象。所有测温对象可独立设报警阈 值范围、采样周期、绘制历史温度曲线图 |
|
高低温报警 |
控制端声光报警,并记录日志,触发报警时可自动存储温度数据和图像快照。 相机端声音报警输出电平指示 |
|
辅助温度分析 |
相对温度分析、温度直方图分析,历史温度曲线图,线上温度曲线图 |
|
图像冻结 |
支持 |
|
显示增强 |
自动拉伸,带 DDE,图像亮度对比度可调,支持手动平台拉伸 |
|
调色板 |
白热、黑热、铁红、彩虹等 10 种 |
|
电子倍焦 |
2X、4X、全屏显示 |
|
数据存储 |
|
|
报告生成 |
Word 格式,带内容选择向导 |
|
测温对象 |
测温对象配置可存储到文件,可从文件读取。每个对象的代表性温度(例如 最高温度)数据可保存到文件 |
|
温度数据保存 |
自定义 DDT 格式可用离线分析软件处理,CSV 格式可用 EXCEL 查看 |
|
温度数据流保存 |
自定义 MGS 格式,可限制最大尺寸 |
|
温度数据流回放 |
回放带时间戳,可调节播放速度、冻结、循环播放,播放时可进行图像处理, 可输出超分辨率图像 |
|
红外图像保存 |
BMP 或 JPG 格式,可选带标记信息或不带标记信息 |
|
视频保存 |
MPEG 压缩,可选是否带用户标记信息,可限制最大尺寸 |
|
运行日志 |
自动记录,自动保存 |
|
网络连接 |
|
|
数据接口 |
1000M 以太网,RJ45 接口 |
|
底层协议 |
TCP, UDP, IP, DHCP, ARP, ICMP, IGMP 等 |
|
应用层协议 |
RTP, RTCP, RTSP, ONVIF, FTP, Modbus TCP, GigE Vision, SIP(GB28181)等 |
|
环境参数 |
|
|
工作温度 |
-30~60℃ |
|
储存温度 |
-40~80℃ |
|
湿度 |
≤85%(非冷凝) |
|
外壳防护等级 |
IP54 |
|
冲击 |
TBD |
|
振动 |
TBD |
|
电磁兼容 |
符合 CE/FCC 标准 |
|
电气接口 |
|
|
温度数据 |
1000M 以太网,RJ45 接口 |
|
电源 |
DC 12-24V |
|
输入触发 |
TTL 电平,上升沿触发,最小脉宽 3ms |
|
功耗 |
2.5 W |
|
物理属性 |
|
|
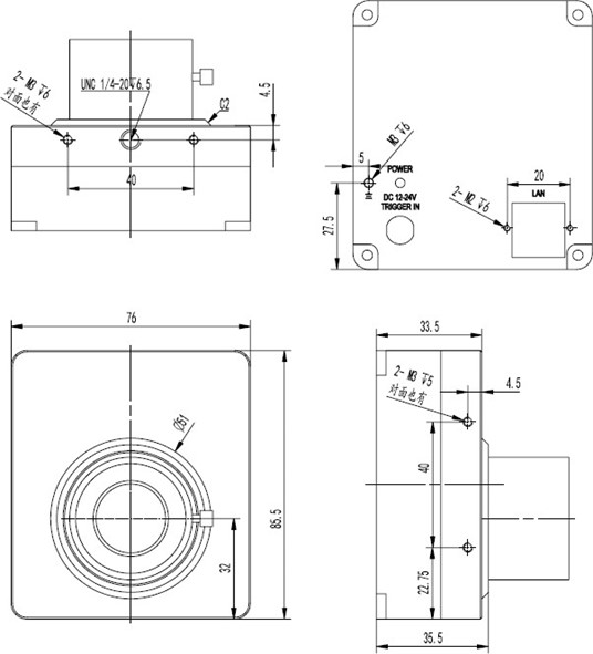
尺寸 |
36(L)x 76 (W)x85.5(H) 不含镜头 |
|
重量 |
约 400 g |
|
安装接口 |
UNC 1/4-20 标准三脚架接口,8-M3 螺纹接口 |
MAG21HF 测温分档
|
测温范围 |
NETD |
测温精度 |
测温环境温度 |
备注 |
|
-20~150℃ |
TBD |
2℃或 2% |
-10~60℃ |
|
|
-20~300℃ |
TBD |
2℃或 2% |
-10~60℃ |
|
|
20~500℃ |
TBD |
2℃或 2% |
0~50℃ |
|
|
150~1000℃ |
\ |
2% |
0~50℃ |
|
|
250~1500℃ |
\ |
2% |
0~50℃ |
|
|
其余测温范围请来电咨询 |
||||
MAG21HF 视场角分档
|
焦距 |
视场角 |
角分辨率 |
镜头外形尺寸 |
人体探测/识别/辨认距离 |
车辆探测距离 |
|
6.5mm |
61o×46o |
3.4 mrad |
|
|
|
|
7mm |
57o×43o |
3.1 mrad |
|
|
|
|
10mm |
40.4o×30.2o |
2.2 mrad |
|
|
|
|
15mm |
28o×21.6o |
1.5 mrad |
|
|
|
|
25mm |
16.2o×12.2o |
0.88 mrad |
|
|
|
|
其余视场角请来电咨询 |
|||||
MAG21HF Modbus TCP 通讯协议
|
数据类型 |
地址 |
功能描述 |
|
保持寄存器 (操作码 3) |
0 |
读取或设置热像仪的报警状态,非零值为报警 |
|
1 |
读取或设置热像仪的报警温度阈值 |
|
|
2 |
读取或设置 ROI 左边界,初值 0 |
|
|
3 |
读取或设置 ROI 右边界,初值 319 |
|
|
4 |
读取或设置 ROI 下边界,初值 0 |
|
|
5 |
读取或设置 ROI 上边界,初值 239 |
|
输入寄存器 (操作码 4) |
0 |
ROI 最高温度 |
|
1 |
ROI 最高温水平坐标 |
|
|
2 |
ROI 最高温竖直坐标 |
|
|
3 |
ROI 最低温度 |
|
|
4 |
ROI 最低温水平坐标 |
|
|
5 |
ROI 最低温竖直坐标 |
|
|
6 |
ROI 平均温度 |
|
|
7 |
ROI 最大温差 |
|
|
8~65535 |
从 ROI 左下角开始排列的像素温度 |
注:
1. 坐标均从 0 开始,以左下角为原点
2. 温度均为int16 数据,0.1℃分辨率
3. 端口 502
